Home / Products / Belt / PU Timing Belt / Special Type Timing Belts / ATN-profile Timing Belts

ATN-profile Timing Belts

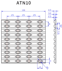
Victech ATN10 and ATN20 timing belts are designed for high-precision transmission. Featuring a unique nut structure on the surface, they allow for precise positioning and easy attachment of accessories through drilled holes. Made from thermoplastic polyurethane with a high-strength steel core, these belts offer excellent durability, wear resistance, and smooth performance under high load. The integrated mold production includes diamond-shaped and round holes, with customizable hole punching and optional 304 stainless steel nuts for added versatility.

  • Related Cases
  • Related Products
Free Quote

Advantage


The accessory spacing on ATN series timing belts is error-free and adjusted according to the tooth pitch based on usage requirements.
ATN10 and ATN20 timing belts typically come in the following widths:
• 25mm with 1 nut position
• 50mm with 2 nut positions
• 75mm with 3 nut positions
• 100mm with 4 nut positions

ATN timing belt, combined with nuts and accessories, is suitable for various complex and high-demand transmission systems.

The timing belt can be coated with fabric on the tooth surface and the back to prevent slipping, reduce friction, minimize noise, and improve tooth meshing.

An optional guide can be added to the timing belt for positioning and guidance, ensuring accurate operation and preventing longitudinal or lateral deviation.

Technical Parameter

TRADEMARK Victech
ORIGIN Wenzhou Zhejiang China
FUNCTION Transpor
MATERIAL PUSteel cord/Kevlar cord/Stainless steel cord
CUSTOMIZE Available
MODEL NUMBER ATN10,ATN20
TYPE ANT-toothed timing belts
COLOR WhiteCustomize
WIDTH Customize
LENGTH Customize
PACKAGING Carton
DEILVERY TIME 3-7 Working Days
Endless Belts Seamless,Jointed

Uses & Video

Sewing machine
Fax machine
Paper machine
Handling machinery
Mechanical processing
Textile Machinery

Get In Touch

Please feel free to leave a message. We will reply you in 24 hours.

Info

Online

Whatsapp

+8615382577098

Message

Email

vicbelt@163.com

TOP

Submit Request